0

Jelentkezzen be

A Geberit szénacél idomok precíz pofavezetéssel rendelkeznek, így a préselés során nem csúszhat el a préspofa, nem helyezhető fel hibásan. A Mapress idomokat olyan rendszerekhez fejlesztették ki ahol kifejzetten fontos az anyag hatékonysága és gazdaságossága. Gyors és egyszerű szerelést biztosítanak teljesen lángmentesen.

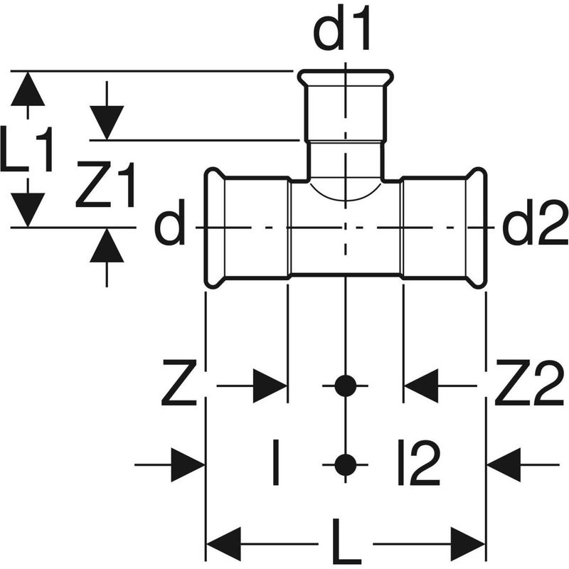
Geberit Mapress szénacél szűkített T-idom 35-15-35
SAP: 3470190
Gyártói cikkszám: 21212

Bruttó: 5 190 Ft /db

Opciók, tartozékok - Darabszámot majd a kosárnál tud növelni! (bruttó árak)
image-f261bebc.jpg Geberit mapress kívül-belül horganyzott szénacél cső 35x1,5 6fm
image-f3025e5b.jpg Geberit Mapress szénacél karmantyú 35
image-17753ae1.jpg Geberit Mapress szénacél egál T-idom 35

Készleten!
 Kosárba

Jászberény Központ - Jelenleg több mint 5 db elérhető!
Szombathely - Jelenleg kevesebb mint 5 db elérhető!
Eger - Jelenleg kevesebb mint 5 db elérhető!
4-6 napon belül átszállítható bármely Szatmári áruházba!
DB
Alapanyag: ötvözetlen acél
Tulajdonságok: Présindikátor
Lepréseletlenül szivárog
Kívül horganyzott
CIIR tömítőgyűrű fekete
Préshüvely áttetsző törmelék elleni védőkupakkal
Hosszúság (cm): 10
Tömeg nettó: 0.163
Tömeg bruttó: 0.183
D ø / külső átmérő (mm): 35 mm
D1 ø / külső átmérő (mm): 15 mm
D2 ø / külső átmérő (mm): 35 mm
DN / névleges szélesség: 32 / 12 / 32
Csőcsatlakozás: 35-15-35 mm
Felhasználási terület: Fagyálló nélküli hűtő és fűtővízhez.Hűtő- és fűtővízhez fagyállóval.? 120 °C-os távhő fűtési vízhez.Oltóvízhez (nedves).Sprinklerhez (nedves).Sűrített levegőhöz (olaj tisztasági osztály: 3).Épületgépészethez ipari alkalmazásra és hajógyártáshoz.
Alkalmazási területek: Fagyálló nélküli hűtő- és fűtővízhez
Hűtő- és fűtővízhez fagyállóval
≤ 120 °C-os távhő fűtési vízhez
Oltóvízhez (nedves)
Sprinklerhez (nedves)
Sűrített levegőhöz (olaj tisztasági osztály: 3)
Épületgépészethez ipari alkalmazásra és hajógyártáshoz
Az alkalmazás áttekintése – Geberit Mapress szénacél
Forma: T-idom
Présprofiltipus: M
Max. üzemi hőmérséklet: 120
21212

Hasonló termékek

Bruttó: 4 790 Ft

SAP: 4580356
Készleten!
Találatok: 1 - 1 / 1

Előzmények

Bruttó: 4 990 Ft

SAP: 4580248
Készleten!
Találatok: 1 - 1 / 1

WEBÁRUHÁZ, ÜGYFÉLSZOLGÁLAT

Bármilyen kérdés, kérés esetén lépjen kapcsolatba velünk!

  • 5100 Jászberény, Jásztelki út 73.
  • +36 57 500 732
  • webshop@szatmari.hu

Bejelentkezés

Regisztráció

logo

Regisztráljon oldalunkon, így időt takarít meg, és megkaphatja legfrisebb, legújabba akcióink, ajánlataink.

  • Biztonságos regisztráció, adatai teljes védelemben
  • Rendeléseit követheti, adatait kezelheti
  • Több kosár funkcióval összegyűjteti kedvenc termékeit
  • Könnyű rendelési folyamat