0

Jelentkezzen be

A Geberit szénacél idomok precíz pofavezetéssel rendelkeznek, így a préselés során nem csúszhat el a préspofa, nem helyezhető fel hibásan. A Mapress idomokat olyan rendszerekhez fejlesztették ki ahol kifejzetten fontos az anyag hatékonysága és gazdaságossága. Gyors és egyszerű szerelést biztosítanak teljesen lángmentesen.

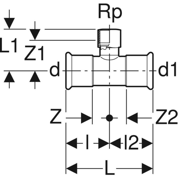
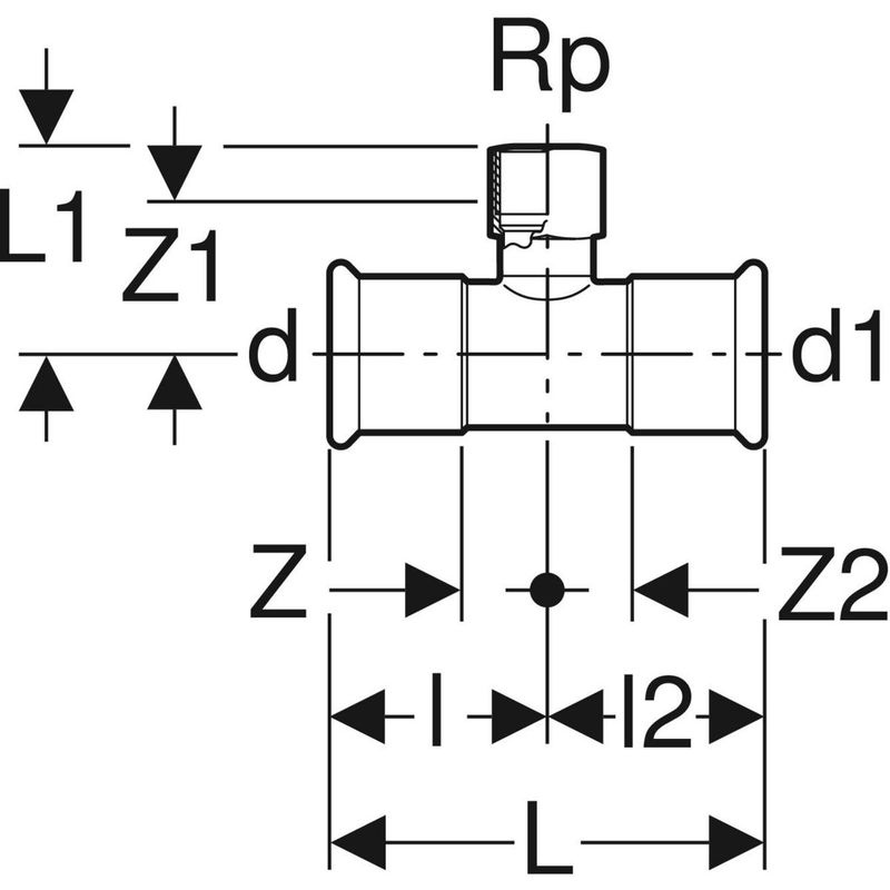
Geberit Mapress szénacél T-idom BM 88,9-3/4"-88,9
SAP: 3470608
Gyártói cikkszám: 21331

Bruttó: 42 899 Ft /db

Opciók, tartozékok - Darabszámot majd a kosárnál tud növelni! (bruttó árak)
image-c800fae7.jpg Geberit mapress kívül-belül horganyzott szénacél cső 88,9x2 6fm
image-08614ba3.jpg Geberit Mapress szénacél egál T-idom 88,9
image-93b52e21.jpg Geberit Mapress szénacél csatlakozó 88,9x3" KM

Készleten!
 Kosárba

Jászberény Központ - Jelenleg több mint 5 db elérhető!
Győr - Jelenleg kevesebb mint 5 db elérhető!
Bp. Projekt - Jelenleg több mint 5 db elérhető!
4-6 napon belül átszállítható bármely Szatmári áruházba!
DB
Alapanyag: ötvözetlen acél
Kialakítás: Belső menet
Tulajdonságok: Présindikátor
Lepréseletlenül szivárog
Kívül horganyzott
CIIR tömítőgyűrű fekete
Préshüvely áttetsző törmelék elleni védőkupakkal
Hosszúság (cm): 26
Tömeg nettó: 1.361
Tömeg bruttó: 1.464
D ø / külső átmérő (mm): 88.9 mm
D1 ø / külső átmérő (mm): 88.9 mm
DN / névleges szélesség: 80 / 20 / 80
Csőcsatlakozás: 889 mm
Csatlakozó méret: 3/4
Felhasználási terület: Sűrített levegőhöz(olaj tisztasági osztály 3).Épületgépészethezipari alkalmazásra és hajógyártáshoz.Kivűl horganyzott.
Alkalmazási területek: Fagyálló nélküli hűtő- és fűtővízhez
Hűtő- és fűtővízhez fagyállóval
≤ 120 °C-os távhő fűtési vízhez
Oltóvízhez (nedves)
Sprinklerhez (nedves)
Sűrített levegőhöz (olaj tisztasági osztály: 3)
Épületgépészethez ipari alkalmazásra és hajógyártáshoz
Az alkalmazás áttekintése – Geberit Mapress szénacél
Forma: T-idom
Présprofiltipus: M
Max. üzemi hőmérséklet: 120
21331

Hasonló termékek

Bruttó: 33 900 Ft

SAP: 4580189
Készleten!
Találatok: 1 - 1 / 1

WEBÁRUHÁZ, ÜGYFÉLSZOLGÁLAT

Bármilyen kérdés, kérés esetén lépjen kapcsolatba velünk!

  • 5100 Jászberény, Jásztelki út 73.
  • +36 57 500 732
  • webshop@szatmari.hu

Bejelentkezés

Regisztráció

logo

Regisztráljon oldalunkon, így időt takarít meg, és megkaphatja legfrisebb, legújabba akcióink, ajánlataink.

  • Biztonságos regisztráció, adatai teljes védelemben
  • Rendeléseit követheti, adatait kezelheti
  • Több kosár funkcióval összegyűjteti kedvenc termékeit
  • Könnyű rendelési folyamat