0

Jelentkezzen be

 AKCIÓ 

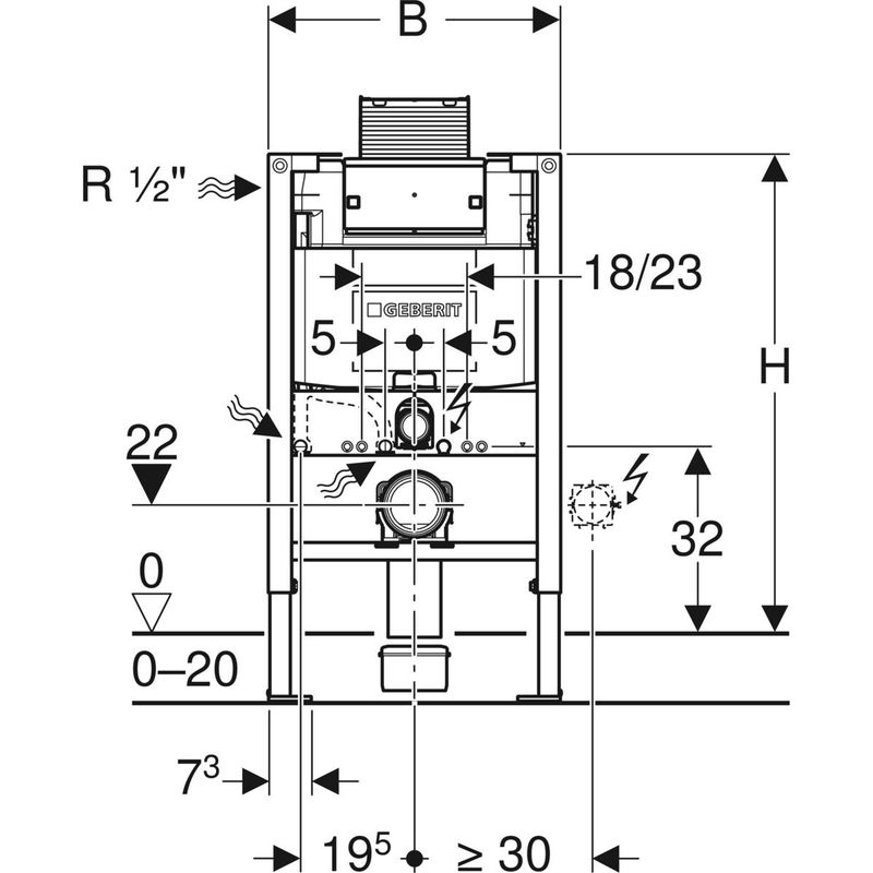
Geberit Duofix fali WC-szerelőelem, 82 cm, Omega 12 cm-es falsík alatti öblítőtartállyal
SAP: 2310903
Gyártói cikkszám: 111.003.00.1

Bruttó: érdeklődjön!

Opciók, tartozékok - Darabszámot majd a kosárnál tud növelni! (bruttó árak)
01_2310691.png Geberit hangcsillapító készlet fali WC és bidé számára
01_5120067.webp Alca zajcsökkentő hablemez fali WC-hez és bidéhez

Nincs raktáron - Érdeklődjön kollégánknál!

nincs készleten
DB
Magasság állíthatósága: Nem
Maximális vízhőmérséklet (°C): 25 °C
Nagy öblítővíz-mennyiség beállítási tartománya (l): 4 l;4.5 l;6 l;7.5 l
Öblítővíz-mennyiség gyári beállítása (l): 6 l;3 l
Tulajdonságok: Statikus önhordó keret, porszórással, korrózió ellen védett
A szerelőelem 9 mm-es furatokkal van ellátva faszerkezethez történő rögzítéshez
A keret elő van készítve kisebb felfekvési felülettel rendelkező WC-kerámiák alátámasztására
Horganyzott láb
0–20 cm között állítható lábazat
Pozíciómegtartó lábrögzítés
Forgatható rögzítő talpak
A csatlakozókönyök szerszám nélkül felszerelhető különböző mélységekben, állíthatósági tartomány 45 mm
A csatlakozókönyök rögzítése hangszigetelt
Felülről vagy elölről működtethető falsík alatti öblítőtartály
Páralecsapódás ellen szigetelt, falsík alatti öblítőtartály
Gyári beállítás esetén azonnali utánöblítés lehetséges
A falsík alatti öblítőtartályon a szerelési és szerviz munkálatok szerszám nélkül elvégezhetők
Vízcsatlakozás bal oldalt oldalról vagy hátulról
A szerviznyílás építési törmelék elleni védőfedele véd a nedvessétől és a szennyeződéstől
A csempézősablon méretre vágható
Védőcsővel a Geberit AquaClean higiéniai berendezések vízellátásához és a hálózati kábelhez
Rögzítés elektromos csatlakozáshoz
Power & Connect Box felszerelhető
Víznyomás (bar): 0.1-10 bar
Szélesség (cm): 50 cm
Magasság (cm): 82 cm cm
Mélység (cm): 14 cm
Tömeg bruttó: 13 kg
Alkalmazási területek: Szárazépítéshez
Parapet magasságú Geberit Duofix rendszerfalakba történő beépítéshez
EN 33:2011 szerinti csatlakozóméretű fali WC-khez
Max. 62 cm hosszú WC-khez
0–20 cm vastag padlószerkezetekhez
Mértékadó térfogatáram (l/perc): 6.6 l/min
Szállítási terjedelem: Vízcsatlakozás R 1/2”, MF kompatibilis, beépített sarokszeleppel és kézikerékkel
Csempézősablon
Csatlakozókészlet WC-hez, ø 90 mm
90°-os PE-HD csatlakozókönyök, ø 90 mm
PE-HD adapter, ø 90/110 mm
2 törmelék elleni védődugó
2 db M12-es menetes szár
Rögzítőanyag
111.003.00.1

Előzmények

Kérjen ajánlatot
SAP: 2240024
nincs készleten

Bruttó: 648 900 Ft

SAP: 4230103
5 egység készleten
Kérjen ajánlatot
SAP: 3990443
nincs készleten
Találatok: 1 - 3 / 3

WEBÁRUHÁZ, ÜGYFÉLSZOLGÁLAT

Bármilyen kérdés, kérés esetén lépjen kapcsolatba velünk!

  • 5100 Jászberény, Jásztelki út 73.
  • +36 57 500 732
  • webshop@szatmari.hu

Bejelentkezés

Regisztráció

logo

Regisztráljon oldalunkon, így időt takarít meg, és megkaphatja legfrisebb, legújabba akcióink, ajánlataink.

  • Biztonságos regisztráció, adatai teljes védelemben
  • Rendeléseit követheti, adatait kezelheti
  • Több kosár funkcióval összegyűjteti kedvenc termékeit
  • Könnyű rendelési folyamat