0

Jelentkezzen be

Mosdó szerelőelem fali csapteleppel szerelt fali mosdó részére.
Könnyűszerkezetes vagy falazott falba építhető.

Geberit Duofix mosdó szerelőelem fali csapteleppel szerelt fali mosdó részére 111.437.00.1
SAP: 2310383
Gyártói cikkszám: 111.437.00.1

Bruttó: érdeklődjön!

Opciók, tartozékok - Darabszámot majd a kosárnál tud növelni! (bruttó árak)
01_7380001.png Geberit Smyle Square mosdó 60 cm
01_1610422.webp Alföldi Bázis 4191 fali mosdó 55 cm
image-ebb31aa4.png Jika Cubito mosdó csaplyukkal 60x45 cm
01_2311212.png Geberit Selnova Comfort akadálymentes kerámia mosdó 65x55cm túlfolyóval, fehér

Nincs raktáron - Érdeklődjön kollégánknál!

nincs készleten
DB
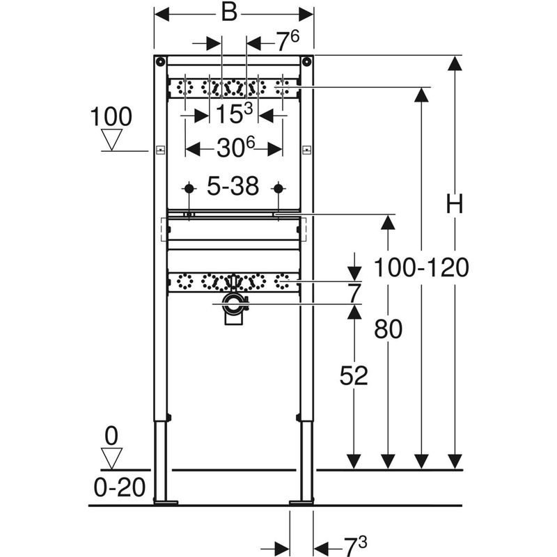
Szállítási terjedelem: 2 db csatlakozókönyök Rp 1/2" / R 1/2", MeplaFix kompatibilis
2 hangszigetelő alátét falikoronghoz
2 szigetelő hüvely
PE-HD csatlakozókönyök, ø 50 mm
Tömítés ø 44/32 mm
2 db M10-es menetes szár
Rögzítőanyag
Magasság állíthatósága: Igen
Alkalmazási területek: Szárazépítéshez
Parapet vagy teljes belmagasságú előtétfalakba történő beépítéshez
Teljes belmagasságú szerelőfalakba történő beépítésre
Mosdók szereléséhez
Falsík előtti szerelvénykehez
0–20 cm vastag padlószerkezetekhez
Tulajdonságok: Statikus önhordó keret, porszórással, korrózió ellen védett
A szerelőelem 9 mm-es furatokkal van ellátva faszerkezethez történő rögzítéshez
Horganyzott láb
0–20 cm között állítható lábazat
Pozíciómegtartó lábrögzítés
Forgatható rögzítő talpak
A mosdó rögzítési távolsága 5–38 cm
A csatlakozókönyök rögzítése állítható magasságú és hangszigetelt
Állítható magasságú és mélységű szerelvény csatlakozó lemez
Szélesség (cm): 50 cm
Magasság (cm): 130 cm cm
Mélység (cm): 7.5 cm
Tömeg nettó: 11.329 kg
Alapanyag: acél
Tömeg bruttó: 15 kg
Szélesség: 500 mm
Vastagság: 70 mm
Magasság: 1300 mm
111.437.00.1

Hasonló termékek

Bruttó: 60 900 Ft

SAP: 2240014
3 egység készleten

Bruttó: 50 900 Ft

SAP: 2490853
8 egység készleten

Bruttó: 49 900 Ft

SAP: 2310256
2 egység készleten

Bruttó: 86 900 Ft

SAP: 2490844
4 egység készleten
Találatok: 1 - 4 / 4

Előzmények

Bruttó: 10 290 Ft

SAP: 2441093
305 egység készleten
Kérjen ajánlatot
SAP: 1741897
nincs készleten
Kérjen ajánlatot
SAP: 5140292
nincs készleten

Bruttó: 179 899 Ft

SAP: 2320360
5 egység készleten
Találatok: 1 - 4 / 4

WEBÁRUHÁZ, ÜGYFÉLSZOLGÁLAT

Bármilyen kérdés, kérés esetén lépjen kapcsolatba velünk!

  • 5100 Jászberény, Jásztelki út 73.
  • +36 57 500 732
  • webshop@szatmari.hu

Bejelentkezés

Regisztráció

logo

Regisztráljon oldalunkon, így időt takarít meg, és megkaphatja legfrisebb, legújabba akcióink, ajánlataink.

  • Biztonságos regisztráció, adatai teljes védelemben
  • Rendeléseit követheti, adatait kezelheti
  • Több kosár funkcióval összegyűjteti kedvenc termékeit
  • Könnyű rendelési folyamat